РЭПВ-22
Доступен для скачивания
краткий каталог продукции:
Электромагнитный пневмораспределитель cерии РЭПВ-221 2-линейный 2-позиционный предназначен для распределения воздушных потоков и управления исполнительными устройствами пневмосистем
Технические характеристики:
Описание прибора:Пневмораспределитель РЭПВ-221 имеет 2 канала ввода-вывода и 2 положения золотника (2-линейный, 2-позиционный). Подвижный запорный элемент в этом распределителе может занимать две дискретные позиции, соответствующие двум состояниям: «проход воздуха закрыт» и «проход воздуха открыт». Такой распределитель может коммутировать между собой две линии: линию питания (вход) и линию потребителя (выход).
В исходном положении у распределителя РЭПВ-221 порт питания и рабочий порт закрыты, давление никуда не подается и не сбрасывается. При подаче питания на катушку порт питания соединяется с рабочим портом. При снятии питания золотник возвращается в исходное положение.
Версия: 2023-11-17-ЛВС
Технические характеристики:
| Параметр | Значение |
| Тип распределителя | 2/2, нормально закрытый |
| Рабочая среда
| Очищенный воздух (тонкость очистки 40 мкм)
|
| Проходное сечение | ⅛" |
| Пропускная способность
| 350 л/мин (при 0,6 МПа) |
| Присоединение | G⅛", G¼" |
| Рабочее давление | 0,15…0,8 МПа |
| Максимальное давление
| 1,2 МПа
|
| Питание
| ~220 В, ~110 В, ~24 В
=24 В, =12 В |
| Допуск по напряжению
| ±10% |
| Катушка | КС-28
ASEx580 (взрывозащищенная) |
| Потребляемая мощность катушки
| КС-28: ~5,5 ВА/=5 Вт
ASEx580: ~5 ВА/=5 Вт |
| Температура эксплуатации | −5…+60°C |
| Степень защиты
| IP65 |
| Класс изоляции соленоида
| Класс F |
| Максимальная частота срабатывания | 5 Гц |
| Наработка до отказа
| 12 000 000 циклов
|
| Материал корпуса распределителя
| Анодированный алюминий |
| Материал уплотнения | NBR |
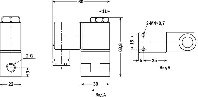
| Габаритные размеры | 63,8×60×22 мм |
| Модель
| Присоединение | Пневматическая схема
|
| РЭПВ-221-18
| G⅛"
| ![]() |
| РЭПВ-221-14
| G¼" |
В исходном положении у распределителя РЭПВ-221 порт питания и рабочий порт закрыты, давление никуда не подается и не сбрасывается. При подаче питания на катушку порт питания соединяется с рабочим портом. При снятии питания золотник возвращается в исходное положение.
| Габаритные размеры |
![]() |
Версия: 2023-11-17-ЛВС
| Документ | Дата обновления |
| Паспорт на РЭПВ-221 | 18.11.2023 |

