AZFC
Доступен для скачивания
краткий каталог продукции:
Вакуумный фильтр AZFC предназначен для удаления пыли и других мелких частиц
Технические характеристики:
2025-08-10-СДГ
Технические характеристики:
| Параметр | Значение | |||
| AZFC100-04B
| AZFC100-06B | AZFC200-06B | AZFC200-08B | |
| Тонкость очистки
| 10 мкм | |||
| Диапазон рабочего давления | −0,1...0 МПа | |||
| Воздушный поток
| 20 л/мин | 50 л/мин | ||
| Присоединение
| ∅ 4 мм
| ∅ 6 мм | ∅ 6 мм | ∅ 8 мм |
| Рабочая температура
| 0...+60°C | |||
| Габаритные размеры | 29×53,2×23 мм | 29×53,2×23 мм | 35×67×27 мм
| 35×67×27 мм |
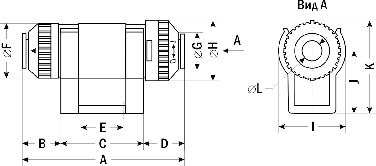
| Габаритные размеры |
![]() |
| Модификация | Размеры, мм | ||||||||||||||
| А | B | C | D | E | ∅F | ∅G | ∅H | I | J | K | ∅L | ||||
| AZFC100-04B | 54
| 10
| 29
| 15
| 13
| 17
| 10
| 19
| 23
| 20
| 30
| 4
| |||
| AZFC100-06B | 54
| 10
| 29
| 15
| 13
| 17
| 10
| 19
| 23
| 20
| 30
| 6
| |||
| AZFC200-08B | 64
| 17
| 33
| 18
| 17
| 22
| 15,6
| 24
| 27
| 24
| 35
| 8
| |||
