РЭПВ-42
Доступен для скачивания
краткий каталог продукции:
Электромагнитный пневмораспределитель cерии РЭПВ-42 4-линейный 2-позиционный предназначен для распределения воздушных потоков и управления исполнительными устройствами пневмосистем
Особенности:
- Несколько пневмораспределителей могут быть объединены в один блок
- Тип распределителя: 4/2 (4-линейный, 2-позиционный) с пружинным возвратом
- Срабатывание при нулевом давлении
- Пониженное энергопотребление
- Компактный размерТехнические характеристики:
| Параметр
| Значение
|
| Рабочая среда | Сжатый очищенный воздух (тонкость очистки 40 мкм) |
| Материалы | Корпуса: алюминий
Уплотнения: NBR |
| Температура рабочей среды | −5...+60°С |
| Рабочее давление | 0...0,8 МПа |
| Диаметр условного прохода | 1 мм |
| Присоединение | G⅛" |
| Пропускная способность | 0,67 л/мин |
| Катушка | КС-28
ASEx580 (взрывозащищенная) |
| Питание | ~220 В, ~110 В, ~24 В
=24 В, =12 В |
| Мощность
| КС-28: ~5,5 ВА/=5 Вт
ASEx580: ~5 ВА/=5 Вт |
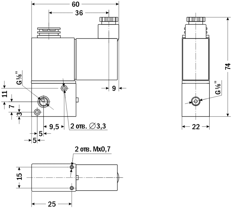
| Габаритные размеры | 74×60×22 мм |
| Вес | 131 г |
| Пневматическая схема |
![]() |
Принцип действия и область применения:Для управления пневмоцилиндрами одностороннего действия используется пневмораспределитель РЭПВ-42, имеющий возможность коммутировать линии питания, потребителя и выхлопа. Такой распределитель обозначается как 4/2 (4-линейный, 2-позиционный). Это означает, что он имеет 4 канала ввода-вывода: 2 порта питания (от источника воздуха), рабочий порт, и порт выхлопа (для спуска воздуха при обратном ходе рабочего органа) и 2 возможные позиции переключения.
Четырехлинейные пневмораспределители устанавливаются в пневмосистемах и позволяют пропускать поток сжатого воздуха в разных направлениях. К примеру, при отсутствии управляющего напряжения распределитель пропускает поток воздуха в линии пневмосистемы по двум независимым контурам в направлениях A↔ R и P↔ P’, при подаче на катушку распределителя управляющего напряжения распределитель перекрывает поток воздуха через порт выхлопа R и подключает рабочий порт А к контуру питания P↔ P’. При отключении управляющего напряжения (или обрыве провода управляющего напряжения) распределитель автоматически переключается обратно и снова пропускает поток воздуха в линии пневмосистемы по двум независимым контурам в направлениях P↔ P’ и A↔ R.
Пневмораспределители относятся к направляющей аппаратуре и служат для управления направлением движения потоков сжатого воздуха. В большинстве случаев подходит для эксплуатации в системах пневмоуправления.
Пневмораспределители относятся к направляющей аппаратуре и служат для управления направлением движения потоков сжатого воздуха. В большинстве случаев подходит для эксплуатации в системах пневмоуправления.

| Габаритные размеры
|
![]() |
Версия: 2023-11-17-ЛВС
| Документ | Дата обновления |
| Паспорт на РЭПВ-42 | 18.11.2023 |

