GRB8-01

Доступен для скачивания
краткий каталог продукции:

GRB8-01
Цена:  2317 руб.
Сумеречный контактор (фотореле) GRB8-01 предназначено для автоматического управления освещением в зависимости от уровня внешней освещенности. Может применяться для управления уличным освещением, освещением мест общего пользования, индивидуальных рабочих мест, рекламы, витрин и т. п. Также может применяться в качестве комплектующего изделия в устройствах промышленной автоматики.
Особенности:
  • Светодиодные индикаторы питания и состояния выходного реле
  • Возможность подключения внешнего устройства для управления реле
Принцип действия:
После подачи питания на прибор должен загореться светодиодный индикатор питания. Индикатор горит на протяжение всего времени работы реле.
В режиме работы ON контакт реле L-4 замкнут, в режиме работы OFF – разомкнут.
В режиме работы AUTO прибор измеряет уровень освещенности с помощью внешнего датчика освещенности. При уровне внешней освещенности выше, чем установленный, контакт реле L-4 разомкнут.
Как только уровень внешней освещенности опустится ниже установленного, начнется отсчет времени задержки срабатывания (2 минуты), а индикатор состояния реле будет мигать. По истечении времени задержки срабатывания контакт реле L-4 замкнется и загорится индикатор состояния реле.
При замыкании контакта реле N-3 с помощью внешнего устройства, происходит размыкание контакта реле L-4 и гаснет индикатор состояния реле.
Как только уровень внешней освещенности превысит значение установленного в 1,2 раза, начнется отсчет времени задержки срабатывания (2 минуты), а индикатор состояния реле будет мигать. По истечении времени задержки срабатывания контакт реле L-4 разомкнется и погаснет индикатор состояния реле.

Диаграмма работы реле

Технические характеристики:
ПараметрЗначение
Настраиваемый уровень освещенности 1...100
Гистерезис (зона возврата) 20%
Задержка срабатывания реле2 мин
Тип выходного контактаНО
Коммутационная способность реле~16 А, 250 В
Механическая износостойкость≥ 1×107 циклов
Электрическая износостойкость≥ 1×105 циклов
Температура эксплуатации−20...+55°С
Температура хранения−35...+75°С
Питание~110...240 В, 50...60 Гц
Степень защитыIP40 (лицевая панель),
IP20 (клеммы)
МонтажНа DIN-рейку, стандарт 1S
Габаритные размеры90×18×64 мм
Вес62

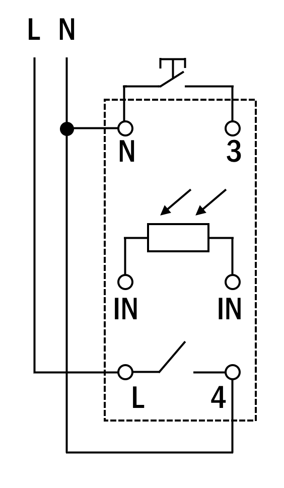
Схема подключения

Габаритные размеры

Версия: 2025-08-25-КВА